產品詳情
夾層鍋_可傾式夾層鍋_夾層鍋廠家
夾層鍋采用304不銹鋼制造 , 配有壓力表和安全閥、電控箱。設備美觀、安裝容易、操作方便。
一、夾層鍋分類
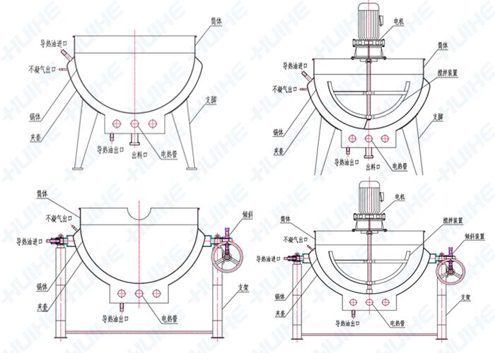
二、夾層鍋結構與材質
夾層鍋由鍋體和可傾架或撐角組成;鍋體是由內外球形鍋體組成的雙層結構形式,中間夾層加入導熱油或水。
夾層鍋鍋體材質:
(a) 內鍋體不銹鋼(SUS304/SUS316L)、外鍋體碳鋼(Q235-B),外涂防銹漆;
(b) 內外鍋體不銹鋼(SUS304/SUS316L)。
三、夾層鍋適應物料
夾層鍋可用于燒水,炒菜,熬稀飯,熬粥,熬湯,煮飯,化糖,化膠,熬油,煮面,炒餡料(比如豆沙餡,蓮蓉餡,月餅餡,綠豆餡等),煮筍干,煮鹵制品(比如豆腐干,肉制品,毛豆等),鹵制品(比如雞爪,雞翅,鹵蛋,鴨爪,鴨脖,豬耳朵等),醬油等食品行業。

夾層鍋適應物料展示
四、夾層鍋特點
1、受熱面積大;
3、加熱均勻;
4、加熱的速度快、液料沸騰時間短;
5、使用安全、操作方便、應用廣泛;
6、有多種加熱方式選擇,以及出料方式(立式和可傾式)和攪拌裝置的選擇;
五、夾層鍋技術參數
|
型 號
名 稱 |
JYL-50 |
JYL-100 |
JYL-200 |
JYL-300 |
JYL-400 |
JYL-500 |
JYL-600 |
JYL-800 |
JYL-1000 | |
|
夾層鍋 |
口徑(mm) |
Φ600 |
Φ700 |
Φ800 |
Φ900 |
Φ1000 |
Φ1100 |
Φ1200 |
Φ1300 |
Φ1400 |
|
鍋深(mm) |
450 |
500 |
550 |
600 |
650 |
700 |
750 |
850 |
950 | |
|
全容積(L) |
50 |
100 |
200 |
300 |
400 |
500 |
600 |
800 |
1000 | |
|
接口尺寸 |
蒸汽管 |
3/4” |
1” |
2” | ||||||
|
冷凝水管 |
3/4” |
1” | ||||||||
|
攪拌電機功率(kw) |
0.75 |
1.1 |
1.5 |
2.2 | ||||||
|
沸騰時間(min)填裝80% |
~5 |
~8 |
~11 |
~14 |
~18 |
~22 |
~25 |
~34 |
~40 | |
|
傳熱面積(m2) |
0.45 |
0.58 |
1.12 |
1.42 |
1.75 |
2 |
2.3 |
3.2 |
3.9 | |
|
蒸汽耗量kg/周期/(cycle) |
3.25 |
6.5 |
13 |
19.5 |
26 |
32.5 |
39 |
52 |
65 | |
|
設計溫度(℃) |
147(可根據客戶使用情況進行調整設計) | |||||||||
|
最高工作溫度(℃) |
135(可根據客戶使用情況進行調整設計) | |||||||||
|
設計壓力(MPa) |
0.35(可根據客戶使用情況進行調整設計) | |||||||||
|
最高工作壓力(MPa) |
0.3 (可根據客戶使用情況進行調整設計) | |||||||||
|
外形尺寸 |
長(mm) |
650 |
750 |
850 |
950 |
1050 |
1150 |
1250 |
1450 |
1550 |
|
寬(mm) |
650 |
750 |
850 |
950 |
1050 |
1150 |
1250 |
1450 |
1550 | |
|
高(mm) |
1350 |
1400 |
1450 |
1500 |
1550 |
1700 |
1800 |
1900 |
2000 | |
溫馨提示:
1、圖表中夾層鍋技術參數均為標準參數,如客戶另有要求,請提出,我們會按照你的要求及實際情況進行權衡并專門為您做個方案!
2、夾層工作壓力≤0.09Mpa,如客戶有特殊要求可按要求定做。
3、夾層鍋選型需提供的工藝參數:物料性質、工作壓力、工作溫度、特殊要求等。
六、夾層鍋結構示意圖

注:上面的夾層鍋示意圖均屬于常規型示意圖,如有特殊要求請提出 !
七、夾層鍋成品圖

電加熱夾層鍋組合圖(包括立式、可傾式、帶攪拌和不帶攪拌)

蒸汽加熱夾層鍋組合圖(包括立式、可傾式、帶攪拌和不帶攪拌)

燃氣夾層鍋組合圖(包括可傾式、帶攪拌和不帶攪拌)
http://www.tag83.com/partners_info.asp?hid=27
閱讀本文的網友還閱讀了:
1、蒸汽夾層鍋、電加熱夾層鍋及燃氣夾層鍋之間的區別
八、惠合實力展示
【惠合設計團隊】

【惠合工廠展示】

【夾層鍋案例展示】
【選擇惠合的6大理由】
1、惠合公司設有銷售部、工程部、售后部,我們都為您服務;
2、我們拼的不是價格,而是質量及友好的服務;
3、我們的業務員和工程師會耐心聽完你的要求,為您物料量身定做;
4、我們的售后同事會從你下單到使用到實際生產服務于您;
5、15年行業經驗;
6、工廠、辦公室現場參觀。
九、惠合產品質量及服務介紹
惠合生產的不銹鋼容器產品包裝是采用防震泡沫紙或呢絨袋或用木箱包裝進行封裝的,這樣包裝以保護產品!
惠合機械主營產品圖片展示
- 可傾式電加熱夾層鍋特點和結構原...
- 夾層鍋的工作原理和特點
- 蒸汽夾層鍋適用于哪些場景?
- 淺談電加熱導熱油爐的9大設計要...
- 醬油醋設備的6大優勢分析介紹
- 五大飲料生產線加工設備主要硬件
- 生產辣椒油的工藝流程及操作要點
- 夾層鍋是干什么的?又如何選型呢...
- 燃氣夾層鍋工作原理
- 化糖罐結構研究
- 千問千答:如何生產高品質的碳酸...
- 棗茶冰淇淋的制作方法介紹
- 蘇式蜜桔皮的制作
- 蒸汽夾層鍋加熱可達到多少溫度?
- 不銹鋼夾層鍋產生裂紋原因分析
- 蒸汽夾層鍋、電加熱夾層鍋及燃氣...
- 帶攪拌夾層鍋和不帶攪拌夾層鍋的...
- 夾層鍋有幾種加熱方式,又有什么...
- 夾層鍋可以用來煮粽子嗎?
- 夾層鍋用來煮雞爪該怎么選型呢?
- 夾層鍋多少錢一臺?
- 夾層鍋可以用來炒菜嗎?
- 你們家夾層鍋有什么特點?
- 夾層鍋可以用來煮餡料嗎?
- 夾層鍋可以有壓力嗎?
- 夾層鍋加熱方式有哪些?
- 你們夾層鍋可以做多大的,價格多...
- 夾層鍋可以用煤氣燒嗎?
- 夾層鍋的用途有哪些?
- 八寶粥全套自動生產線
- 夾層鍋
- 我需要炒火鍋醬料攪拌鍋

電話號碼:0571-81604278
0571-86578098
傳真號碼:0571-81604276手機號碼:152 6811 6877
電子郵箱:huihe@hhmachine.cn
公司名稱:杭州惠合食品科技有限公司













